GO
15d

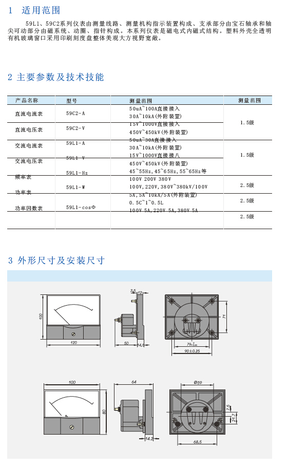
59L1、59C2系列电表

所属分类:电能表、仪器仪表

PDF File:

在线客服

乐鱼线上平台(集团)官方网站客服1

1428967121

乐鱼线上平台(集团)官方网站客服2

2281824741